Hinge and Strike Spacing

    SDI 129-24

    View PDF

    Cautionary Statement

    The hinge and strike spacings presented in this brochure are intended as a reference to inform the reader of the standard locations used in the manufacture of steel doors and frames by SDI member companies for the opening sizes shown.

    The user must be aware that these spacings shall not be relied upon when retrofitting doors or frames to an existing installation. Field verification of hinge and strike spacings in this situation is necessary.

    Dimensions listed are valid at the time of publication. However, manufacturers do periodically revise their hinge and strike spacing, therefore, the SDI strongly recommends that individual manufacturers be contacted to verify dimensions.

    The Steel Door Institute and its member companies shall not be held liable for products manufactured using the information published here.

     

    SDI Members

    1. Ceco
    2. Curries
    3. De La Fontaine
    4. Deansteel Manufacturing Co.
    5. Door Components Inc. (DCI)
    6. Hollow Metal Xpress (HMX)
    7. Mesker Door
    8. MPI
    9. Pioneer Industries, Inc. – Standard
    10. Pioneer Industries, Inc. – S Series
    11. Premier Steel Doors & Frames
    12. Republic Doors & Frames
    13. Steelcraft
    14. Stiles

    Historical Data

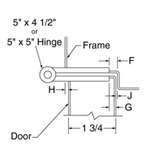
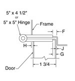
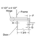
    basic labeled diagram of door opening height, strike, and hinge spacing

    Ceco Door

    Note: Dimensions listed are valid at time of publication. However, manufacturers do periodically revise their hinge and strike spacing, therefore, the SDI strongly recommends that individual manufacturers be contacted to verify dimensions.

     

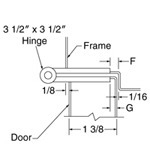
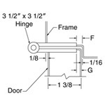
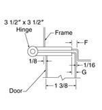
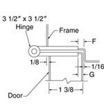
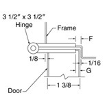
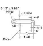
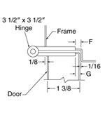
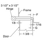
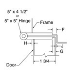
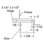
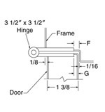
    top down diagram of 3-1/2-inch hinge, strike, and frame for 1-3/8-inch doors
    3-1/2″ Hinge & Strike Comparison for 1-3/8″ Thick Doors
    A
    B
    C
    D
    E
    F
    G

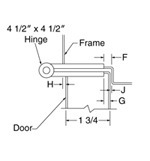
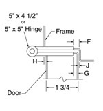
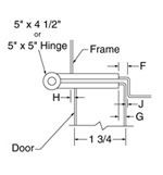
    top down diagram of 4-1/2-inch hinge, strike, and frame for 1-3/4-inch doors
    4-1/2″ Hinge & Strike Comparison for 1-3/4″ Thick Doors
    A
    B
    C
    D
    E
    F
    G
    H
    J
    6′-8″
    2 @ 31″
    6′-10″
    2 @ 32″
    7′-0″
    2 @ 33″
    7′-2″
    2 @ 34″
    7′-4″
    2 @ 35″
    7′-6″
    41-13/16″
    9″
    2 @ 36″
    9″
    5/16″
    1/4″
    1/8″
    1/16″
    7′-8″
    3 @ 24-21/32″
    7′-10″
    3 @ 25-21/64″
    8′-0″
    3@ 26″
    9′-0″
    3 @ 30″
    10′-0″
    3 @ 34″
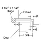
    top down diagram of 5-inch hinge, strike, and frame for 1-3/4-inch doors
    5″ Hinge & Strike Comparison for 1-3/4″ Thick Doors
    A
    B
    C
    D
    E
    F
    G
    H
    J
    6′-8″
    2 @ 31″
    6′-10″
    2 @ 32″
    7′-0″
    2 @ 33″
    7′-2″
    2 @ 34″
    7′-4″
    2 @ 35″
    7′-6″
    41-13/16″
    9″
    2 @ 36″
    9″
    5/16″
    1/4″
    1/8″
    1/16″
    7′-8″
    3 @ 24-21/32″
    7′-10″
    3 @ 25-21/64″
    8′-0″
    3@ 26″
    9′-0″
    3 @ 30″
    10′-0″
    3 @ 34″
    basic labeled diagram of door opening height, strike, and hinge spacing

    Curries

    Note: Dimensions listed are valid at time of publication. However, manufacturers do periodically revise their hinge and strike spacing, therefore, the SDI strongly recommends that individual manufacturers be contacted to verify dimensions.

    Note: On 3 1/2″ hinge preparation for 1 3/8″ doors, the standard for non-fire rated frames is two (2) hinges.

    top down diagram of 3-1/2-inch hinge, strike, and frame for 1-3/8-inch doors
    3-1/2 Hinge & Strike Comparison for 1-3/8″ Thick Doors
    A
    B
    C
    D
    E
    F
    G
    6′-8″
    10-3/8″
    2 @ 29-15/16″
    7′-0″
    40-5/16″
    10-3/8″
    2 @ 31-15/16″
    9-3/4″
    5/16″
    1/14″
    7′-2″
    10-3/8″
    2 @ 32-15/16″
    top down diagram of 4-1/2-inch hinge, strike, and frame for 1-3/4-inch doors
    4-1/2″ Hinge & Strike Comparison for 1-3/4″ Thick Doors
    A
    B
    C
    D
    E
    F
    G
    H
    J
    6′-8″
    12-1/4″
    2 @ 30-1/4″
    6′-10″
    12-1/4″
    2 @ 31-1/4″
    7′-0″
    12-1/4″
    2 @ 32-1/4″
    7′-2″
    12-1/4″
    2 @ 33-1/4″
    7′-4″
    12-1/4″
    2 @ 34-1/4″
    7′-6″
    40″
    12-1/4″
    2 @ 35-1/4″
    7-1/4″
    5/16″
    1/4″
    1/8″
    1/16″
    7′-8″
    12-3/8″
    3 @ 24-1/8″
    7′-10″
    12-1/8″
    3 @ 24-7/8″
    8′-0″
    12-1/4″
    3 @ 25-1/2″
    9′-0″
    12-1/4″
    3 @ 29-1/2″
    10′-0″
    12-1/4″
    3 @ 33-1/2″
    top down diagram of 5-inch hinge, strike, and frame for 1-3/4-inch doors
    5″ Hinge & Strike Comparison for 1-3/4″ Thick Doors
    A
    B
    C
    D
    E
    F
    G
    H
    J
    6′-8″
    12-1/4″
    2 @ 30-1/4″
    6′-10″
    12-1/4″
    2 @ 31-1/4″
    7′-0″
    12-1/4″
    2 @ 32-1/4″
    7′-2″
    12-1/4″
    2 @ 33-1/4″
    7′-4″
    12-1/4″
    2 @ 34-1/4″
    7′-6″
    40″
    12-1/4″
    2 @ 35-1/4″
    7-1/4″
    5/16″
    1/4″
    1/8″
    1/16″
    7′-8″
    12-3/8″
    3 @ 24-1/8″
    7′-10″
    12-1/8″
    3 @ 24-7/8″”
    8′-0″
    12-1/4″
    3 @ 25-1/2″
    9′-0″
    12-1/4″
    3 @ 29-1/2″
    10′-0″
    12-1/4″
    3 @ 33-1/2″
    De La Fontaine Industries

    De La Fontaine Industries

    Note: Dimensions listed are valid at time of publication. However, manufacturers do periodically revise their hinge and strike spacing, therefore, the SDI strongly recommends that individual manufacturers be contacted to verify dimensions.

     

    3-1/2″ Hinge & Strike Comparison for 1-3/8″ Thick Doors
    A
    B
    C
    D
    E
    F
    G
    H
    J
    6′-8″
    59-7/8″
    6′-8″
    40-5/16″
    10-3/8″
    2 @ 29-15/16″
    9-3/4″
    5/16″
    3/16″
    1/16″
    1/8″
    7′-0″
    2 @ 31-15/16″
    7′-2″
    2 @ 32-15/16″
    4-1/2″ Hinge & Strike Comparison for 1-3/4″ Thick Doors
    A
    B
    C
    D
    E
    F
    G
    H
    J
    6′-8″
    2 @ 29-15/16″
    6′-10″
    2 @ 30-15/16″
    7′-0″
    2 @ 31-15/16″
    7′-2″
    2 @ 32-15/16″
    7′-4″
    2 @ 33-15/16″
    7′-6″
    40-5/16″
    10-3/8″
    2 @ 34-15/16″
    9-3/4″
    3/8″
    1/4″
    1/16″
    1/8″
    7′-8″
    3 @ 23-61/64″
    7′-10″
    3 @ 24-5/8″
    8′-0″
    3 @ 25-19/64″
    9′-0″
    3 @ 29-19/64″
    10′-0″
    3 @ 33-19/64″
    5″ Hinge & Strike Comparison for 1-3/4″ Thick Doors
    A
    B
    C
    D
    E
    F
    G
    H
    J
    6′-8″
    2 @ 29-15/16″
    6′-10″
    2 @ 30-15/16″
    7′-0″
    2 @ 31-15/16″
    7′-2″
    2 @ 32-15/16″
    7′-4″
    2 @ 33-15/16″
    7′-6″
    40-5/16″
    10-3/8″
    2 @ 34-15/16″
    9-3/4″
    3/8″
    1/4″
    1/16″
    1/8″
    7′-8″
    3 @ 23-61/64″
    7′-10″
    3 @ 24-5/8″
    8′-0″
    3 @ 25-19/64″
    9′-0″
    3 @ 29-19/64″
    10′-0″
    3 @ 33-19/64″
    basic labeled diagram of door opening height, strike, and hinge spacing

    Deansteel Manufacturing Co.

    Note: Dimensions listed are valid at time of publication. However, manufacturers do periodically revise their hinge and strike spacing, therefore, the SDI strongly recommends that individual manufacturers be contacted to verify dimensions.

    top down diagram of 3-1/2-inch hinge, strike, and frame for 1-3/8-inch doors
    3-1/2 Hinge & Strike Comparison for 1-3/8″ Thick Doors
    A
    B
    C
    D
    E
    F
    G
    6′-8″
    61-1/2″
    7′-0″
    40-5/16″
    11-3/4″
    2 @ 32-3/4″
    6-3/4″
    5/16″
    1/4″
    7′-2″
    2 @ 33-3/4″
    top down diagram of 4-1/2-inch hinge, strike, and frame for 1-3/4-inch doors
    4-1/2″ Hinge & Strike Comparison for 1-3/4″ Thick Doors
    A
    B
    C
    D
    E
    F
    G
    H
    J
    6′-8″
    2 @ 30-1/4″
    6′-10″
    2 @ 31-1/4″
    7′-0″
    2 @ 32-1/4″
    7′-2″
    2 @ 33-1/4″
    7′-4″
    2 @ 34-1/4″
    7′-6″
    40-5/16″
    12-1/4″
    2 @ 35-1/4″
    7-1/4″
    5/16″
    1/4″
    1/8″
    1/16″
    7′-8″
    24-1/8″,24-1/4″, 24-1/8″
    7′-10″
    24-7/8″,24-3/4″,
    24-7/8″
    8′-0″
    3 @ 25-1/2″
    9′-0″
    3 @ 29-1/2″
    10′-0″
    3 @ 33-1/2″
    top down diagram of 5-inch hinge, strike, and frame for 1-3/4-inch doors
    5″ Hinge & Strike Comparison for 1-3/4″ Thick Doors
    A
    B
    C
    D
    E
    F
    G
    H
    J
    6′-8″
    12-1/2″
    2 @ 30″
    6′-10″
    12-1/2″
    2 @ 31″
    7′-0″
    12-1/2″
    2 @ 32″
    7′-2″
    12-1/2″
    2 @ 33″
    7′-4″
    12-1/2″
    2 @ 34″
    7′-6″
    40-5/16″
    12-1/2″
    2 @ 35″
    7-1/2″
    5/16″
    1/4″
    1/8″
    1/16″
    7′-8″
    12-1/2″
    3 @ 24″
    7′-10″
    12-1/2″
    24-5/8″, 24-3/4″,
    24-5/8″
    8′-0″
    12-1/2″
    25-3/8″, 25-1/4″,
    25-3/8″
    9′-0″
    12-9/16″
    3 @ 29-5/16″
    10′-0″
    12-9/16″
    3 @ 33-5/16″
    basic labeled diagram of door opening height, strike, and hinge spacing

    Door Components Inc. (DCI)

    Note: Dimensions listed are valid at time of publication. However, manufacturers do periodically revise their hinge and strike spacing, therefore, the SDI strongly recommends that individual manufacturers be contacted to verify dimensions.

    top down diagram of 3-1/2-inch hinge, strike, and frame for 1-3/8-inch doors
    3-1/2 Hinge & Strike Comparison for 1-3/8″ Thick Doors
    A
    B
    C
    D
    E
    F
    G
    6′-8″
    2 @ 29-15/16″
    7′-0″
    40-5/16″
    10-3/8″
    2 @ 31-15/16″
    9-3/4″
    5/16″
    1/4″
    7′-2″
    2 @ 32-15/16″
    top down diagram of 4-1/2-inch hinge, strike, and frame for 1-3/4-inch doors
    4-1/2″ Hinge & Strike Comparison for 1-3/4″ Thick Doors
    A
    B
    C
    D
    E
    F
    G
    H
    J
    6′-8″
    2 @ 29-15/16″
    6′-10″
    2 @ 30-15/16″
    7′-0″
    2 @ 31-15/16″
    7′-2″
    2 @ 32-15/16″
    7′-4″
    2 @ 33-15/16″
    7′-6″
    40-5/16″
    10-3/8″
    2 @ 34-15/16″
    9-3/4″
    5/16″
    1/4″
    1/8″
    1/16″
    7′-8″
    23-15/16″,24″,
    23-15/16″
    7′-10″
    3 @ 24-5/8″
    8′-0″
    25-5/16″, 25-1/4″, 25-5/16″
    9′-0″
    29-5/16″, 29-1/4″, 29-5/16″
    10′-0″
    33-5/16″, 33-1/4″, 33-5/16″
    top down diagram of 5-inch hinge, strike, and frame for 1-3/4-inch doors
    5″ Hinge & Strike Comparison for 1-3/4″ Thick Doors
    A
    B
    C
    D
    E
    F
    G
    H
    J
    6′-8″
    2 @ 29-15/16″
    6′-10″
    2 @ 30-15/16″
    7′-0″
    2 @ 31-15/16″
    7′-2″
    2 @ 32-15/16″
    7′-4″
    2 @ 33-15/16″
    7′-6″
    40-5/16″
    10-3/8″
    2 @ 34-15/16″
    9-3/4″
    5/16″
    1/4″
    1/8″
    1/16″
    7′-8″
    23-15/16″, 24″,
    23-15/16″
    7′-10″
    3 @ 24-5/8
    8′-0″
    25-5/16″, 25-1/4″, 25-5/16″
    9′-0″
    29-5/16″, 29-1/4″,
    29-5/16″
    10′-0″
    33-5/16″, 33-1/4″, 33-5/16″
    basic labeled diagram of door opening height, strike, and hinge spacing

    Hollow Metal Xpress (HMX)

    Note: Dimensions listed are valid at time of publication. However, manufacturers do periodically revise their hinge and strike spacing, therefore, the SDI strongly recommends that individual manufacturers be contacted to verify dimensions.

    top down diagram of 3-1/2-inch hinge, strike, and frame for 1-3/8-inch doors
    3-1/2″ Hinge & Strike Comparison for 1-3/8″ Thick Doors
    A
    B
    C
    D
    E
    F
    G
    H
    J
    6′-8″
    2 @ 30-3/4″
    7′-0″
    40-5/16″
    11-3/4″
    2 @ 32-3/4″
    6-3/4″
    1/4″
    3/16″
    1/8″
    1/16″
    7′-2″
    2 @ 33-3/4″
    top down diagram of 4-1/2-inch hinge, strike, and frame for 1-3/4-inch doors
    4-1/2″ Hinge & Strike Comparison for 1-3/4″ Thick Doors
    A
    B
    C
    D
    E
    F
    G
    H
    J
    6′-8″
    12-1/4″
    2 @ 30-1/4″
    6′-10″
    12-1/4″
    2 @ 31-1/4″
    7′-0″
    12-1/4″
    2 @ 32-1/4″
    7′-2″
    12-1/4″
    2 @ 33-1/4″
    7′-4″
    12-1/4″
    2 @ 34-1/4″
    7′-6″
    40-5/16″
    12-1/4″
    2 @ 35-1/4″
    7-1/4″
    5/16″
    1/4″
    1/8″
    1/16″
    7′-8″
    11-1/4″
    3 @ 24-1/2″
    7′-10″
    10-1/4″
    3 @ 25-1/2″
    8′-0″
    12-1/4″
    3 @ 25-1/2″
    9′-0″
    12-1/4″
    3 @ 29-1/2″
    10′-0″
    12-1/4″
    4 @ 25-1/8″
    top down diagram of 5-inch hinge, strike, and frame for 1-3/4-inch doors
    5″ Hinge & Strike Comparison for 1-3/4″ Thick Doors
    A
    B
    C
    D
    E
    F
    G
    H
    J
    6′-8″
    12-1/4″
    2 @ 30-1/4″
    6′-10″
    12-1/4″
    2 @ 31-1/4″
    7′-0″
    12-1/4″
    2 @ 32-1/4″
    7′-2″
    12-1/4″
    2 @ 33-1/4″
    7′-4″
    12-1/4″
    2 @ 34-1/4″
    7′-6″
    40-5/16″
    12-1/4″
    2 @ 35-1/4″
    7-1/4″
    5/16″
    1/4″
    1/8″
    1/16″
    7′-8″
    11-1/4″
    3 @ 24-1/2″
    7′-10″
    10-1/4″
    3 @ 25-1/2″
    8′-0″
    12-1/4″
    3 @ 25-1/2″
    9′-0″
    12-1/4″
    3 @ 29-1/2″
    10′-0″
    12-1/4″
    4 @ 25-1/8″
    basic labeled diagram of door opening height, strike, and hinge spacing

    Mesker Door

    Note: Dimensions listed are valid at time of publication. However, manufacturers do periodically revise their hinge and strike spacing, therefore, the SDI strongly recommends that individual manufacturers be contacted to verify dimensions.

    top down diagram of 3-1/2-inch hinge, strike, and frame for 1-3/8-inch doors
    3-1/2 Hinge & Strike Comparison for 1-3/8″ Thick Doors
    A
    B
    C
    D
    E
    F
    G
    6′-8″
    2 @ 30-3/4″
    7′-0″
    40-5/16″
    11-3/4″
    2 @ 32-3/4″
    6-3/4″
    1/4″
    3/16″
    7′-2″
    2 @ 33-3/4″
    top down diagram of 4-1/2-inch hinge, strike, and frame for 1-3/4-inch doors
    4-1/2″ Hinge & Strike Comparison for 1-3/4″ Thick Doors
    A
    B
    C
    D
    E
    F
    G
    H
    J
    6′-8″
    12-1/4″
    2 @ 30-1/4″
    6′-10″
    12-1/4″
    2 @ 31-1/4″
    7′-0″
    12-1/4″
    2 @ 32-1/4″
    7′-2″
    12-1/4″
    2 @ 33-1/4″
    7′-4″
    12-1/4″
    2 @ 34-1/4″
    7′-6″
    40-5/16″
    12-1/4″
    2 @ 35-1/4″
    7-1/4″
    5/16″
    1/4″
    1/8″
    1/16″
    7′-8″
    11-1/4″
    3 @ 24-1/2″
    7′-10″
    10-1/4″
    3 @ 25-1/2″
    8′-0″
    12-1/4″
    3 @ 25-1/2″
    9′-0″
    12-1/4″
    3 @ 29-1/2″
    10′-0″
    12-1/4″
    4 @ 25-1/8″
    top down diagram of 5-inch hinge, strike, and frame for 1-3/4-inch doors
    5″ Hinge & Strike Comparison for 1-3/4″ Thick Doors
    A
    B
    C
    D
    E
    F
    G
    H
    J
    6′-8″
    12-1/4″
    2 @ 30-1/4″
    6′-10″
    12-1/4″
    2 @ 31-1/4″
    7′-0″
    12-1/4″
    2 @ 32-1/4″
    7′-2″
    12-1/4″
    2 @ 33-1/4″
    7′-4″
    12-1/4″
    2 @ 34-1/4″
    7′-6″
    40-5/16″
    12-1/4″
    2 @ 35-1/4″
    7-1/4″
    5/16″
    1/4″
    1/8″
    1/16″
    7′-8″
    11-1/4″
    3 @ 24-1/2″
    7′-10″
    10-1/4″
    3 @ 25-1/2″
    8′-0″
    12-1/4″
    3 @ 25-1/2″
    9′-0″
    12-1/4″
    3 @ 29-1/2″
    10′-0″
    12-1/4″
    4 @ 25-1/8″
    basic labeled diagram of door opening height, strike, and hinge spacing

    MPI

    Note: Dimensions listed are valid at time of publication. However, manufacturers do periodically revise their hinge and strike spacing, therefore, the SDI strongly recommends that individual manufacturers be contacted to verify dimensions.

    top down diagram of 3-1/2-inch hinge, strike, and frame for 1-3/8-inch doors
    3-1/2 Hinge & Strike Comparison for 1-3/8″ Thick Doors
    A
    B
    C
    D
    E
    F
    G
    6′-8″
    2 @ 30-3/4″
    7′-0″
    40-5/16″
    11-3/4″
    2 @ 32-3/4″
    6-3/4″
    5/16″
    1/4″
    7′-2″
    2 @ 33-3/4″

     

    top down diagram of 4-1/2-inch hinge, strike, and frame for 1-3/4-inch doors
    4-1/2″ Hinge & Strike Comparison for 1-3/4″ Thick Doors
    A
    B
    C
    D
    E
    F
    G
    H
    J
    6′-8″
    2 @ 30-1/4″
    6′-10″
    2 @ 31-1/4″
    7′-0″
    2 @ 32-1/4″
    7′-2″
    2 @ 33-1/4″
    7′-4″
    2 @ 34-1/4″
    7′-6″
    40-5/16″
    12-1/4″
    2 @ 35-1/4″
    7-1/4″
    5/16″
    1/4″
    1/8″
    1/16″
    7′-8″
    2 @ 24-3/16″,
    1 @ 24-1/8″
    7′-10″
    2 @ 24-13/16″,
    1 @ 24-7/8″
    8′-0″
    3 @ 25-1/2″
    9′-0″
    3 @ 29-1/2″
    10′-0″
    3 @ 33-1/2″
    top down diagram of 5-inch hinge, strike, and frame for 1-3/4-inch doors
    5″ Hinge & Strike Comparison for 1-3/4″ Thick Doors
    A
    B
    C
    D
    E
    F
    G
    H
    J
    6′-8″
    2 @ 30
    6′-10″
    2 @ 31
    7′-0″
    2 @ 32
    7′-2″
    2 @ 33
    7′-4″
    2 @ 34
    7′-6″
    40-5/16″
    12-1/2″
    2 @ 35
    7-1/2″
    5/16″
    1/4″
    1/8″
    1/16″
    7′-8″
    3 @ 24
    7′-10″
    2 @ 24-11/16″,
    1 @ 24-5/8″
    8′-0″
    2 @ 25-5/16″,
    1 @ 25-3/8″
    9′-0″
    2 @ 29-5/16″,
    1 @ 29-3/8″
    10′-0″
    2 @ 33-5/16″,
    1 @ 33-3/8″
    basic labeled diagram of door opening height, strike, and hinge spacing

    Pioneer Industries, Inc. – Standard

    Note: Dimensions listed are valid at time of publication. However, manufacturers do periodically revise their hinge and strike spacing, therefore, the SDI strongly recommends that individual manufacturers be contacted to verify dimensions.

    top down diagram of 3-1/2-inch hinge, strike, and frame for 1-3/8-inch doors
    3-1/2 Hinge & Strike Comparison for 1-3/8″ Thick Doors
    A
    B
    C
    D
    E
    F
    G
    6′-8″
    2 @ 30-3/4″
    7′-0″
    38″
    11-3/4″
    2 @ 32-3/4″
    6-3/4″
    5/16″
    7/32″
    7′-2″
    2 @ 33-3/4″
    top down diagram of 4-1/2-inch hinge, strike, and frame for 1-3/4-inch doors
    4-1/2″ Hinge & Strike Comparison for 1-3/4″ Thick Doors
    A
    B
    C
    D
    E
    F
    G
    H
    J
    6′-8″
    12-1/4″
    2 @ 30-1/4″
    6′-10″
    12-1/4″
    2 @ 31-1/4″
    7′-0″
    12-1/4″
    2 @ 32-1/4″
    7′-2″
    12-1/4″
    2 @ 33-1/4″
    7′-4″
    12-1/4″
    2 @ 34-1/4″
    7′-6″
    38″
    12-1/4″
    3 @ 23-1/2″
    7-1/4″
    5/16″
    7/32″
    3/32″
    3/32″
    7′-8″
    12-1/4″
    3 @ 24-3/16″
    7′-10″
    12-1/4″
    3 @ 24-13/16″
    8′-0″
    12-1/4″
    3 @ 25-1/2″
    9′-0″
    12-1/4″
    3 @ 29-1/2″
    10′-0″
    12-1/4″
    3 @ 33-1/2″
    top down diagram of 5-inch hinge, strike, and frame for 1-3/4-inch doors
    5″ Hinge & Strike Comparison for 1-3/4″ Thick Doors
    A
    B
    C
    D
    E
    F
    G
    H
    J
    6′-8″
    12-1/2″
    2 @ 30″
    6′-10″
    12-1/2″
    2 @ 31″
    7′-0″
    12-1/2″
    2 @ 32″
    7′-2″
    12-1/2″
    2 @ 33″
    7′-4″
    38″
    12-1/2″
    2 @ 34″
    7-1/2″
    5/16″
    7/32″
    3/32″
    3/32″
    7′-6″
    12-9/16″
    3 @ 23-5/16″
    7′-8″
    12-1/2″
    3 @ 24″
    7′-10″
    12-5/8″
    3 @ 24-5/8″
    8′-0″
    12-9/16″
    3 @ 25-5/16″
    9′-0″
    12-9/16″
    3 @ 29-10/64″
    10′-0″
    12-9/16″
    3 @ 33-5/16″
    basic labeled diagram of door opening height, strike, and hinge spacing

    Pioneer Industries, Inc.S-Series

    Note: Dimensions listed are valid at time of publication. However, manufacturers do periodically revise their hinge and strike spacing, therefore, the SDI strongly recommends that individual manufacturers be contacted to verify dimensions.

     

    top down diagram of 3-1/2-inch hinge, strike, and frame for 1-3/8-inch doors
    3-1/2 Hinge & Strike Comparison for 1-3/8″ Thick Doors
    A
    B
    C
    D
    E
    F
    G
    6′-8″
    2 @ 29-15/16″
    7′-0″
    40-5/16″
    10-3/8″
    2 @ 31-15/16″
    9-3/4″
    5/16″
    7/32″
    7′-2″
    2 @ 32-15/16″
    top down diagram of 4-1/2-inch hinge, strike, and frame for 1-3/4-inch doors
    4-1/2″ Hinge & Strike Comparison for 1-3/4″ Thick Doors
    A
    B
    C
    D
    E
    F
    G
    H
    J
    6′-8″
    2 @ 29-15/16″
    6′-10″
    2 @ 30-15/16″
    7′-0″
    2 @ 31-15/16″
    7′-2″
    2 @ 32-15/16″
    7′-4″
    2 @ 33-15/16″
    7′-6″
    40-5/16″
    10-3/8″
    2 @ 34-15/16″
    9-3/4″
    5/16″
    7/32″
    3/32″
    3/32″
    7′-8″
    3 @ 23-61/64″
    7′-10″
    3 @ 24-5/8″
    8′-0″
    3@ 25-10/64″
    9′-0″
    3 @ 29-10/64″
    10′-0″
    3 @ 33-10/64″
    top down diagram of 5-inch hinge, strike, and frame for 1-3/4-inch doors
    5″ Hinge & Strike Comparison for 1-3/4″ Thick Doors
    A
    B
    C
    D
    E
    F
    G
    H
    J
    6′-8″
    2 @ 29-15/16″
    6′-10″
    2 @ 30-15/16″
    7′-0″
    2 @ 31-15/16″
    7′-2″
    2 @ 32-15/16″
    7′-4″
    2 @ 33-15/16″
    7′-6″
    40-5/16″
    10-3/8″
    2 @ 34-15/16″
    9-3/4″
    5/16″
    7/32″
    3/32″
    3/32″
    7′-8″
    3 @ 23-61/64″
    7′-10″
    3 @ 24-5/8″
    8′-0″
    3@ 25-19/64″
    9′-0″
    3 @ 29-19/64″
    10′-0″
    3 @ 33-19/64″
    basic labeled diagram of door opening height, strike, and hinge spacing

    Premier Steel Doors & Frames, Inc.

    Note: Dimensions listed are valid at time of publication. However, manufacturers do periodically revise their hinge and strike spacing, therefore, the SDI strongly recommends that individual manufacturers be contacted to verify dimensions.

    top down diagram of 3-1/2-inch hinge, strike, and frame for 1-3/8-inch doors
    3-1/2″ Hinge & Strike Comparison for 1-3/8″ Thick Doors
    A
    B
    C
    D
    E
    F
    G
    6′-8″
    1 @ 59-7/8″
    7′-0″
    40-5/16″
    10-3/8″
    2 @ 31-15/16″
    9-3/4″
    1/4″
    3/16″
    7′-2″
    2 @ 32-15/16″
    top down diagram of 4-1/2-inch hinge, strike, and frame for 1-3/4-inch doors
    4-1/2″ Hinge & Strike Comparison for 1-3/4″ Thick Doors
    A
    B
    C
    D
    E
    F
    G
    H
    J
    6′-8″
    2 @ 30-1/4″
    6′-10″
    2 @ 31-1/4″
    7′-0″
    2 @ 32-1/4″
    7′-2″
    2 @ 33-1/4″
    7′-4″
    3 @ 22-53/64″
    7′-6″
    40-5/16″
    12-1/4″
    3 @ 23-1/2″
    7-1/4″
    3/8″
    1/4″
    1/16″
    1/8″
    7′-8″
    3 @ 24-11/64″
    7′-10″
    3 @ 24-53/64″
    8′-0″
    3 @ 25-1/2″
    9′-0″
    3 @ 29-1/2″
    top down diagram of 5-inch hinge, strike, and frame for 1-3/4-inch doors
    5″ Hinge & Strike Comparison for 1-3/4″ Thick Doors
    A
    B
    C
    D
    E
    F
    G
    H
    J
    6′-8″
    2 @ 30-1/4″
    6′-10″
    2 @ 31-1/4″
    7′-0″
    2 @ 32-1/4″
    7′-2″
    2 @ 33-1/4″
    7′-4″
    3 @ 22-53/64″
    7′-6″
    40-5/16″
    12-1/4″
    3 @ 23-1/2″
    7-1/4″
    3/8″
    1/4″
    1/16″
    1/8″
    7′-8″
    3 @ 24-11/64″
    7′-10″
    3 @ 24-53/64″
    8′-0″
    3 @ 25-1/2″
    9′-0″
    3 @ 29-1/2″
    basic labeled diagram of door opening height, strike, and hinge spacing

    Republic Doors & Frames

    Note: Dimensions listed are valid at time of publication. However, manufacturers do periodically revise their hinge and strike spacing, therefore, the SDI strongly recommends that individual manufacturers be contacted to verify dimensions.

    Republic hinge locations effective as of 7/15/2015.

    top down diagram of 3-1/2-inch hinge, strike, and frame for 1-3/8-inch doors
    3-1/2 Hinge & Strike Comparison for 1-3/8″ Thick Doors
    A
    B
    C
    D
    E
    F
    G
    6′-8″
    61-1/2″
    6′-8″
    2 @ 30-3/4″
    7′-0″
    40-5/16″
    11-3/4″
    2 @ 32-3/4″
    6-3/4″
    5/16″
    1/4″
    7′-2″
    2 @ 33-3/4″
    top down diagram of 4-1/2-inch hinge, strike, and frame for 1-3/4-inch doors
    4-1/2″ Hinge & Strike Comparison for 1-3/4″ Thick Doors
    A
    B
    C
    D
    E
    F
    G
    H
    J
    6′-8″
    2 @ 30-1/4″
    6′-10″
    2 @ 31-1/4″
    7′-0″
    2 @ 32-1/4″
    7′-2″
    2 @ 33-1/4″
    7′-4″
    2 @ 34-1/4″
    7′-6″
    40-5/16″
    12-1/4″
    2 @ 35-1/4″
    7-1/4″
    5/16″
    1/4″
    1/8″
    1/16″
    7′-8″
    3 @ 24-11/64″
    7′-10″
    3 @ 24-53/64″
    8′-0″
    3 @ 25-1/2″
    9′-0″
    3 @ 29-1/2″
    10′-0″
    3 @ 33-1/2″
    top down diagram of 5-inch hinge, strike, and frame for 1-3/4-inch doors
    5″ Hinge & Strike Comparison for 1-3/4″ Thick Doors
    A
    B
    C
    D
    E
    F
    G
    H
    J
    6′-8″
    2 @ 30″
    6′-10″
    2 @ 31″
    7′-0″
    2 @ 32″
    7′-2″
    2 @ 33″
    7′-4″
    2 @ 34″
    7′-6″
    40-5/16″
    12-1/2″
    2 @ 35″
    7-1/2″
    5/16″
    1/4″
    1/8″
    1/16″
    7′-8″
    3 @ 24″
    7′-10″
    3 @ 24-43/64″
    8′-0″
    3 @ 25-21/64″
    9′-0″
    3 @ 29-21/64″
    10′-0″
    3 @ 33-21/64″
    basic labeled diagram of door opening height, strike, and hinge spacing

    Steelcraft

    Note: Dimensions listed are valid at time of publication. However, manufacturers do periodically revise their hinge and strike spacing, therefore, the SDI strongly recommends that individual manufacturers be contacted to verify dimensions.

    top down diagram of 3-1/2-inch hinge, strike, and frame for 1-3/8-inch doors
    3-1/2 Hinge & Strike Comparison for 1-3/8″ Thick Doors
    A
    B
    C
    D
    E
    F
    G
    6′-8″
    59-7/8″
    6′-8″
    2 @ 29-15/16
    7′-0″
    40-5/16″
    10-3/8″
    2 @ 31-15/16″
    9-3/4″
    5/16″
    1/4″
    7′-2″
    2 @ 32-15/16″
    top down diagram of 4-1/2-inch hinge, strike, and frame for 1-3/4-inch doors
    4-1/2″ Hinge & Strike Comparison for 1-3/4″ Thick Doors
    A
    B
    C
    D
    E
    F
    G
    H
    J
    6′-8″
    2 @ 29-15/16″
    6′-10″
    2 @ 30-15/16″
    7′-0″
    2 @ 31-15/16″
    7′-2″
    2 @ 32-15/16″
    7′-4″
    2 @ 33-15/16″
    7′-6″
    40-5/16″
    10-3/8″
    2 @ 34-15/16″
    9-3/4″
    5/16″
    1/4″
    1/8″
    1/16″
    7′-8″
    3 @ 23-61/64″
    7′-10″
    3 @ 24-5/8″
    8′-0″
    3 @ 25-19/64″
    9′-0″
    3 @ 29-19/64″
    10′-0″
    3 @ 33-19/64″
    top down diagram of 5-inch hinge, strike, and frame for 1-3/4-inch doors
    5″ Hinge & Strike Comparison for 1-3/4″ Thick Doors
    A
    B
    C
    D
    E
    F
    G
    H
    J
    6′-8″
    2 @ 29-15/16″
    6′-10″
    2 @ 30-15/16″
    7′-0″
    2 @ 31-15/16″
    7′-2″
    2 @ 32-15/16″
    7′-4″
    2 @ 33-15/16″
    7′-6″
    40-5/16″
    10-3/8″
    2 @ 34-15/16″
    9-3/4″
    5/16″
    1/4″
    1/8″
    1/16″
    7′-8″
    3 @ 23-61/64″
    7′-10″
    3 @ 24-5/8″
    8′-0″
    3 @ 25-19/64″
    9′-0″
    3 @ 29-19/64″
    10′-0″
    3 @ 33-19/64″
    basic labeled diagram of door opening height, strike, and hinge spacing

    Stiles

    Note: Dimensions listed are valid at time of publication. However, manufacturers do periodically revise their hinge and strike spacing, therefore, the SDI strongly recommends that individual manufacturers be contacted to verify dimensions.

    top down diagram of 3-1/2-inch hinge, strike, and frame for 1-3/8-inch doors
    3-1/2 Hinge & Strike Comparison for 1-3/8″ Thick Doors
    A
    B
    C
    D
    E
    F
    G
    __
    __
    __
    __
    __
    __
    __
    top down diagram of 4-1/2-inch hinge, strike, and frame for 1-3/4-inch doors
    4-1/2″ Hinge & Strike Comparison for 1-3/4″ Thick Doors
    A
    B
    C
    D
    E
    F
    G
    H
    J
    6′-8″

     

    12-1/4″
    2 @ 30-1/4″
    6′-10″
    12-1/4″
    2 @ 31-1/4″
    7′-0″
    12-1/4″
    2 @ 32-1/4″
    7′-2″
    12-1/4″
    2 @ 33-1/4″
    7′-4″
    12-1/4″
    2 @ 34-1/4″
    7′-6″
    40-5/16′
    12-1/4″
    3 @ 23-1/2″
    7-1/4″
    3/8″
    1/4″
    1/16″
    1/8″
    7′-8″
    12-1/4″
    3 @ 24″
    7′-10″
    11-1/4″
    3 @ 25″
    8′-0″
    12-1/4″
    3 @ 25-1/2″
    9′-0″
    12-1/4″
    4 @ 22-1/8″
    10′-0″
    12-1/4″
    4 @ 25-1/8″
    top down diagram of 5-inch hinge, strike, and frame for 1-3/4-inch doors
    5″ Hinge & Strike Comparison for 1-3/4″ Thick Doors
    A
    B
    C
    D
    E
    F
    G
    H
    J
    6′-8″
    12″
    2 @ 30-1/4″
    6′-10″
    12″
    2 @ 31-1/4″
    7′-0″
    12″
    2 @ 32-1/4″
    7′-2″
    12″
    2 @ 33-1/4″
    7′-4″
    12″
    2 @ 34-1/4″
    7′-6″
    40-5/16″
    12″
    3 @ 23-1/2″
    7-1/2″
    3/8″
    1/4″
    1/16″
    1/8″
    7′-8″
    12-1/2″
    3 @ 24″
    7′-10″
    11-1/2″
    3 @ 25″
    8′-0″
    12″
    3 @ 25-1/2″
    9′-0″
    12″
    34@ 22-1/8″
    10′-0″
    12″
    4 @ 25-1/8″

     

    NOTE:

    The following companies are included for historical purposes only.

    The validity of their hinge and strike spacing data cannot be confirmed.

    basic labeled diagram of door opening height, strike, and hinge spacing

    Benchmark

    Note: Benchmark is no longer a member of the Steel Door Institute. Its hinge and strike spacing are included for legacy purposes; the validity of the data cannot be confirmed.

    top down diagram of 3-1/2-inch hinge, strike, and frame for 1-3/8-inch doors
    3-1/2 Hinge & Strike Comparison for 1-3/8″ Thick Doors
    A
    B
    C
    D
    E
    F
    G
    top down diagram of 4-1/2-inch hinge, strike, and frame for 1-3/4-inch doors
    4-1/2″ Hinge & Strike Comparison for 1-3/4″ Thick Doors
    A
    B
    C
    D
    E
    F
    G
    H
    J
    6′-8″
    12-1/4″
    2 @ 30-1/4″
    6′-10″
    14-1/4″
    2 @ 30-1/4″
    7′-0″
    12-1/4″
    2 @ 32-1/4″
    7′-2″
    14-1/4″
    2 @ 32-1/4″
    7′-4″
    40-5/16″
    12-1/4″
    2 @ 34-1/4″
    7-1/4″
    11/32″
    1/4″
    1/8″
    3/32″
    7′-6″
    14-1/4″
    2 @ 34-1/4″
    7′-8″
    8-1/4″
    3@ 25-1/2″
    7′-10″
    10-1/4″
    3@ 25-1/2″
    8′-0″
    12-1/4″
    3@ 25-1/2″
    top down diagram of 5-inch hinge, strike, and frame for 1-3/4-inch doors
    5″ Hinge & Strike Comparison for 1-3/4″ Thick Doors
    A
    B
    C
    D
    E
    F
    G
    H
    J
    basic labeled diagram of door opening height, strike, and hinge spacing

    Black Mountain Door (formerly Amweld Building Products)

    Note: Black Mountain Door is no longer a member of the Steel Door Institute. Its hinge and strike spacing are included for legacy purposes; the validity of the data cannot be confirmed.

    top down diagram of 3-1/2-inch hinge, strike, and frame for 1-3/8-inch doors
    3-1/2 Hinge & Strike Comparison for 1-3/8″ Thick doors
    A
    B
    C
    D
    E
    F
    G
    6′-8″
    10-3/8″
    7′-0″
    40-5/16″
    14-3/8″
    59-7/8″
    9-3/4″
    5/16″
    3/16″
    7′-2″
    16-3/8″
    top down diagram of 4-1/2-inch hinge, strike, and frame for 1-3/4-inch doors
    4-1/2 Hinge & Strike Comparison for 1-3/4″ Thick Doors
    A
    B
    C
    D
    E
    F
    G
    H
    J
    6′-8″
    10-3/8″
    2 @ 29-15/16″
    6′-10″
    8-3/8″
    2 @ 31-15/16″
    7′-0″
    10-3/8″
    2 @ 31-15/16″
    7′-2″
    12-3/8″
    2 @ 31-15/16″
    7′-4″
    10-3/8″
    2 @ 33-15/16″
    7′-6″
    40-5/16″
    12-3/8″
    2 @ 33-15/16″
    9-3/4″
    5/16″
    3/16″
    1/16″
    1/8″
    7′-8″
    10-7/16″
    3 @ 23-15/16″
    7′-10″
    8-5/16″
    3 @ 25-5/16″
    8′-0″
    10-5/16″
    3@ 25-5/16″
    9′-0″
    8-7/16″
    3 @ 29-15/16″
    10′-0″
    11-7/16″
    3 @ 32-15/16″
    top down diagram of 5-inch hinge, strike, and frame for 1-3/4-inch doors
    5″ Hinge & Strike Comparison for 1-3/4″ Thick Doors
    A
    B
    C
    D
    E
    F
    G
    H
    J
    6′-8″
    10-3/8″
    2 @ 29-15/16″
    6′-10″
    8-3/8″
    2 @ 31-15/16″
    7′-0″
    10-3/8″
    2 @ 31-15/16″
    7′-2″
    12-3/8″
    2 @ 31-15/16″
    7′-4″
    10-3/8″
    2 @ 33-15/16″
    7′-6″
    40-5/16″
    12-3/8″
    2 @ 33-15/16″
    9-3/4″
    5/16″
    3/16″
    1/16″
    1/8″
    7′-8″
    10-7/16″
    3 @ 23-15/16″
    7′-10″
    8-5/16″
    3 @ 25-5/16″
    8′-0″
    10-5/16″
    3@ 25-5/16″
    9′-0″
    8-7/16″
    3 @ 29-15/16″
    10′-0″
    11-7/16″
    3 @ 32-15/16″
    basic labeled diagram of door opening height, strike, and hinge spacing

    Copco

    Note:Copco is no longer a member of the Steel Door Institute. Its hinge and strike spacing are included for legacy purposes; the validity of the data cannot be confirmed.

     

    3-1/2″ Hinge & Strike Comparison for 1-3/8″ Thick Doors
    A
    B
    C
    D
    E
    F
    G
    H
    J
    6′-8″
    2 @ 29-15/16″
    7′-0″
    40-5/16″
    10-3/8″
    2 @ 31-15/16″
    9-3/4″
    5/16″
    7/32″
    1/8″
    1/16″
    7′-2″
    2 @ 32-15/16″
    4-1/2″ Hinge & Strike Comparison for 1-3/4″ Thick Doors
    A
    B
    C
    D
    E
    F
    G
    H
    J
    6′-8″
    2 @ 29-15/16″
    6′-10″
    2 @ 30-15/16″
    7′-0″
    2 @ 31-15/16″
    7′-2″
    2 @ 32-15/16″
    7′-4″
    40-5/16″
    10-3/8″
    2 @ 33-15/16″
    9-3/4″
    5/16″
    7/32″
    1/32″
    3/32″
    7′-6″
    2 @ 34-15/16″
    7′-8″
    3 @ 23-19/64″
    7′-10″
    3 @ 24-19/64″
    8′-0″
    3 @ 25-19/64″
    5″ Hinge & Strike Comparison for 1-3/4″ Thick Doors
    A
    B
    C
    D
    E
    F
    G
    H
    J
    6′-8″
    2 @ 29-15/16″
    6′-10″
    2 @ 30-15/16″
    7′-0″
    2 @ 31-15/16″
    7′-2″
    2 @ 32-15/16″
    7′-4″
    40-5/16″
    10-3/8″
    2 @ 33-15/16″
    9-3/4″
    5/16″
    7/32″
    1/32″
    /32″
    7′-6″
    2 @ 34-15/16″
    7′-8″
    3 @ 23-19/64″
    7′-10″
    3 @ 24-19/64″
    8′-0″
    3 @ 25-19/64″
    Kewanee

    Kewanee

    Note:Kewanee is no longer a member of the Steel Door Institute. Its hinge and strike spacing are included for legacy purposes; the validity of the data cannot be confirmed.

     

    3-1/2″ Hinge & Strike Comparison for 1-3/8″ Thick Doors
    A
    B
    C
    D
    E
    F
    G
    H
    J
    6′-8″
    60-1/8″
    7′-0″
    40-5/16″
    11-3/4″
    2 @ 32-1/16″
    9-5/8″
    1/4″
    3/16″
    1/8″
    1/16″
    7′-2″
    2 @ 33-1/16″
    4-1/2″ Hinge & Strike Comparison for 1-3/4″ Thick Doors
    A
    B
    C
    D
    E
    F
    G
    H
    J
    6′-8″
    2 @ 30-1/16″
    6′-10″
    2 @ 31-1/16″
    7′-0″
    2 @ 32-1/16″
    7′-2″
    2 @ 33-1/16″
    7′-4″
    40-5/16″
    10-1/4″
    2 @ 34-1/16″
    9-5/8″
    3/8″
    1/4″
    1/16″
    1/8″
    7′-6″
    2 @ 35-1/16″
    7′-8″
    24-1/16″, 24″, 24-1/16″
    7′-10″
    24-11/16″, 24-3/4″, 24-11/16″
    8′-0″
    3 @ 25-3/8″
    5″ Hinge & Strike Comparison for 1-3/4″ Thick Doors
    A
    B
    C
    D
    E
    F
    G
    H
    J
    6′-8″
    2 @ 30-1/16″
    6′-10″
    2 @ 31-1/16″
    7′-0″
    2 @ 32-1/16″
    7′-2″
    2 @ 33-1/16″
    7′-4″
    40-5/16″
    10-1/4″
    2 @ 34-1/16″
    9-5/8″
    3/8″
    1/4″
    1/16″
    1/8″
    7′-6″
    2 @ 35-1/16″
    7′-8″
    24-1/16″, 24″, 24-1/16″
    7′-10″
    24-11/16″, 24-3/4″, 24-11/16″
    8′-0″
    3 @ 25-3/8″
    basic labeled diagram of door opening height, strike, and hinge spacing

    Security Metal Products

    Note: Dimensions listed are valid at time of publication. However, manufacturers do periodically revise their hinge and strike spacing, therefore, the SDI strongly recommends that individual manufacturers be contacted to verify dimensions.

    Note: Does not manufacture 1 3/8″ thick doors. Frames for 1 3/8″ doors are manufactured by special arrangement only.

    top down diagram of 3-1/2-inch hinge, strike, and frame for 1-3/8-inch doors
    3-1/2 Hinge & Strike Comparison for 1-3/8″ Thick Doors
    A
    B
    C
    D
    E
    F
    G
    top down diagram of 4-1/2-inch hinge, strike, and frame for 1-3/4-inch doors
    4-1/2″ Hinge & Strike Comparison for 1-3/4″ Thick Doors
    A
    B
    C
    D
    E
    F
    G
    H
    J
    6′-8″
    12-1/4″
    2 @ 30-1/4″
    6′-10″
    12-1/4″
    2 @ 31-1/4″
    7′-0″
    12-1/4″
    2 @ 32-1/4″
    7′-2″
    12-1/4″
    2 @ 33-1/4″
    7′-4″
    12-1/4″
    2 @ 34-1/4″
    7′-6″
    40-5/16″
    10-1/4″
    2 @ 36-1/4″
    7-1/4″
    3/8″
    1/4″
    1/16″
    1/8″
    7′-8″
    12-1/4″
    3 @ 24-11/64″
    7′-10″
    12-1/4″
    3 @ 24-53/64″
    8′-0″
    12-1/4″
    3 @ 25-1/2″
    9′-0″
    10-1/4″
    3 @ 30-5/32″
    10′-0″
    12-1/4″
    3 @ 33-1/2″
    top down diagram of 5-inch hinge, strike, and frame for 1-3/4-inch doors
    5″ Hinge & Strike Comparison for 1-3/4″ Thick Doors
    A
    B
    C
    D
    E
    F
    G
    H
    J
    6′-8″
    12-1/2″
    2 @ 30″
    6′-10″
    12-1/2″
    2 @ 31″
    7′-0″
    12-1/2″
    2 @ 32″
    7′-2″
    12-1/2″
    2 @ 33″
    7′-4″
    12-1/2″
    2 @ 34″
    7′-6″
    40-5/16″
    10-1/2″
    2 @ 36″
    7-1/2″
    3/8″
    1/4″
    1/16″
    1/8″
    7′-8″
    12-1/2″
    3 @ 24″
    7′-10″
    12-1/2″
    3 @ 24-43/64″
    8′-0″
    12-1/2″
    3 @ 25-21/64″
    9′-0″
    10-1/2″
    3 @ 30″
    10′-0″
    12-1/2″
    3 @ 33-21/64″